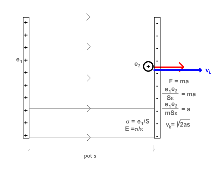
risba 6